LAPORAN AKHIR 2
1.
Switch
2.
LED
3.
VCC
4.
IC 74193N
5.
Gerbang OR
6. Sinyal clock
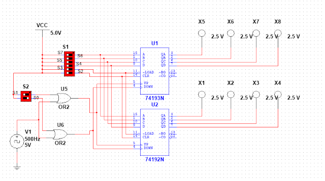
Pada rangkaian ini terdiri dari beberapa kondisi.Untuk
kondisi pertama S1 dan S3 terputus dan S0 dan S2 berlogika 0 maka led tidak
menyala. Ketika S2 tidak terhubung, maka gerbang or kedua inputnya 0 sehingga
outputnya 01010101, output dari or kedua dihubungkan ke input down ic sehingga
outputnya sinyal clk tpi krna S1 putus maka gerbang or 1 inputnya juga clk,
maka output up juga clk, lalu karena S3 juga diputus maka input load berlogika
0 maka led aktif sehingga output dari conter up down tidak dikluarkan melainkan
output abcd yang akan dikeluarkan, sehingga semua lampu off, S1 dan S2 putus,
dan S0 dan S3 kondisi 0, pada kondisi ini led tdak hidup, prinsip kerjanya sama
dengan sebelumnya. Selanjutnya hanya S2 yang 1, kondisi ini sama dimana led
juga tida menyala, or pertama outputnya juga clock dan or kedua outputnya
beelogika 1. Sehingga akan masuk menjadi input down, tapi load tetap berlogika
0 krna S3 nya 0 dan load akan aktfif
maka input dari abcd yang akan dikeluarkan oleh ic. Kondisi 5: Jika S0 dan S1 nya 0 dalam kindisi ini S3 nya
berlogika 1 dan load tidak aktfi sehingga output abcd akan diabaikan dan akan
mengeluarkan iutput conter up dan down, untuk gerbnag logika dimana S1 nya
berlogika 1 mak output gerbang 1 adalah 1 maka output up ini akan berlogika 1,
untuk gerbnag kedua kondisinya sinyal clk, sehingga akan masuk ke pin down lalu
akan menghidupkan ked sehingga menjadi counter down dimana u1 akan melakukan
perhitungan 15-0 u2 9-0.
1. Apa pengaruh gerbang OR pada
percobaan 3b
Jawab:
Pada rangkaian ini kaki” gerbang OR ada yang
terhubung ke switch, dan salah satu kaki pada gerbang OR terhubung ke sinyal
clock dan inputnya menjadi 010101 dan begitu seterusnya. Output dari gerbang OR
pertama terhubung ke input up dan output
gerbang kedua terhubung ke down. Pada kondisi tertentu, salah satu gerbang OR
akan memberikan output berupa sinyal clk pada salah satu input up dan downnya.
Jika switch gerbang pertana diputus dan switch gerbang kedua terhubung maka
input down akan berlogika 1 dan pada pada input up akan terjadi sinyal clk. Hal
inilah yang disebut counter up
2. Jika switch pada IC74192N pada
input c off, analisa hasil output IC74192N
Jawab:
Pada rangkaian dimana switch IC 74192N pada output c
off maka led X3 juga off dan ini jika loadnya berlogika 0. Namun jika loadnya
berlogika 1 maka lampu X3 akan menyala. Hal ini dikarenakan output dari ABCD
akan diabaikan dan jika kondisinya counter up atau down led tidak akan
terpengaruh.
HTML: disini
Rangkaian: disini
Video: disini

Tidak ada komentar:
Posting Komentar